|
H44H旋啟式日標止回閥原理作用: H44H旋啟式日標止回閥的啟閉件靠介質流動和力量自行開啟或關閉,以防止介質倒流。日標止回閥一般分為升降式、旋啟式、蝶式及臥式等四種類型,通式升降式止回閥應安裝于水平管路上,立式升降式止回閥和底閥一般安裝在垂直管路上,并且介質自下而上流動,H44H旋啟式日標止回閥安裝位置不受限制,通常安裝于水平管路,但也可以安裝于垂直管路或傾料管路上。H44H旋啟式日標止回閥安裝方式:止回閥只允許介質向一個方向流動,應特別注意介質流動方向,應使介質正常流動方向與閥體上指示的箭頭方向相一致,否則就會截斷介質的正常流動。 H44H旋啟式日標止回閥是以日本JIS標準生產制造,H44H旋啟式日標止回閥壓力以K來表述。 H44H旋啟式日標止回閥性能特點: ①水平或垂直管道均可使用,安裝方便; ②流道通暢、流體阻力小。 H44H旋啟式日標止回閥技術參數:
H44H旋啟式日標止回閥部件材質:
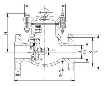
H44H旋啟式日標止回閥外形尺寸: ![]()
|
|||||||||||||||||||||||||||||||||||||||||||||||||||||||||||||||||||||||||||||||||||||||||||||||||||||||||||||||||||||||||||||||||||||||
-
產品采用金屬材質表面順滑光亮
-
采用不銹鋼材料,不生銹的同時材料的堅固也有保障
-
啟閉件靠流動介質的壓力來實現自動開啟或關閉。
-
止回閥只用于介質單向流動的管路上,阻止介質回流,以防發生事故。
-
水平或垂直管道均可使用,安裝方便
-
根據用戶提供的流量、壓力提供選型規格書及控制方案圖。


