Q44F/Q45F法蘭三通球閥原理作用: Q44F/Q45F三通球閥可為L形和T形,L形(Q44F)三通球閥用于介質流向的切換,能使相互垂直的兩個通道連接;T形(Q45F)三通球閥用于介質分流、合流及流向切換。T形三通可以使三個通道相互連通或使其中的兩個通道連通。三通球閥一般采用兩閥座結構,亦可根據用戶要求采用四閥座結構。
Q44F/Q45F法蘭三通球閥性能特點: 
Q44F法蘭三通球閥技術參數: 公稱壓力 PN(MPa) | 試驗壓力 | 殼體 | 高壓液密封 | 低壓液密封 | 1.6 | 2.4 | 1.76 | 0.6 | 2.5 | 3.75 | 2.75 | 4.0 | 6.0 | 4.4 | CLASS150 | 3.0 | 2.2 | 應用規范 | 連接法蘭 | JB79-59 GB9113、HG20592-97、ANSI B16.5 | 檢驗試驗 | JB/T 9092-99 、API598 |
Q44F/Q45F法蘭三通球閥部件材質: 零件名稱 | 材料名稱 | 閥體 | WCB | 304(CF8) | 316(CF8M) | 316L(CF3M) | 球體 | 2Cr13+氮化處理 | 304 | 316 | 316L | 閥桿 | 2Cr13 | 304 | 316 | 316L | 密封圈 | 聚四氟乙烯(PTFE)、增強聚四氟乙烯(PPL)、對位聚苯、柔性石墨 | 適用介質 | 水、氣體、蒸汽、油品 | 硝酸等腐蝕性介質 | 醋酸等腐蝕介質 | 尿素等腐蝕性介質 |
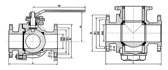
Q44F/Q45F法蘭三通球閥外形尺寸: 
Q44F/Q45F三通L型球閥 主要連接尺寸 公稱通徑DN(mm) | 尺寸(mm) | L | L2 | D | D1 | D2 | b | f | Z-d | H | W | 15 | 150 | 72 | 95 | 65 | 45 | 14 | 2 | 4-14 | 95 | 130 | 20 | 160 | 80 | 105 | 75 | 55 | 14 | 2 | 4-14 | 110 | 130 | 25 | 180 | 90 | 115 | 85 | 65 | 14 | 2 | 4-18 | 120 | 140 | 32 | 200 | 100 | 135 | 100 | 78 | 16 | 2 | 4-18 | 144 | 180 | 40 | 220 | 110 | 145 | 110 | 85 | 16 | 3 | 4-18 | 152 | 220 | 50 | 240 | 120 | 160 | 125 | 100 | 16 | 3 | 4-23 | 182 | 220 | 65 | 260 | 130 | 180 | 145 | 120 | 16 | 3 | 4-18 | 193 | 240 | 80 | 280 | 140 | 195 | 160 | 135 | 20 | 3 | 8-18 | 217 | 270 | 100 | 320 | 160 | 215 | 180 | 155 | 20 | 3 | 8-18 | 245 | 350 | 125 | 380 | 190 | 245 | 210 | 185 | 22 | 3 | 8-18 | 282 | 500 | 150 | 440 | 220 | 280 | 240 | 210 | 24 | 3 | 8-23 | 319 | 600 | 200 | 550 | 260 | 335 | 295 | 265 | 26 | 3 | 12-23 | 380 | 1000 | 250 | 670 | 310 | 405 | 355 | 320 | 30 | 3 | 12-25 | 460 | 1400 | 300 | 720 | 370 | 460 | 410 | 375 | 30 | 3 | 12-25 | 520 | 1800 |
Q44F/Q45F三通T型球閥 主要連接尺寸 公稱通徑DN(mm) | 尺寸(mm) | L | L2 | D | D1 | D2 | b | f | Z-d | H | W | 15 | 150 | 72 | 95 | 65 | 45 | 14 | 2 | 4-14 | 95 | 130 | 20 | 160 | 80 | 105 | 75 | 55 | 14 | 2 | 4-14 | 110 | 130 | 25 | 180 | 90 | 115 | 85 | 65 | 14 | 2 | 4-18 | 120 | 140 | 32 | 200 | 100 | 135 | 100 | 78 | 16 | 2 | 4-18 | 144 | 180 | 40 | 220 | 110 | 145 | 110 | 85 | 16 | 3 | 4-18 | 152 | 220 | 50 | 240 | 120 | 160 | 125 | 100 | 16 | 3 | 4-23 | 182 | 240 | 65 | 260 | 130 | 180 | 145 | 120 | 16 | 3 | 4-18 | 193 | 270 | 80 | 280 | 140 | 195 | 160 | 135 | 20 | 3 | 8-18 | 217 | 350 | 100 | 320 | 160 | 215 | 180 | 155 | 20 | 3 | 8-18 | 245 | 500 | 125 | 380 | 190 | 245 | 210 | 185 | 22 | 3 | 8-18 | 282 | 600 | 150 | 440 | 220 | 280 | 240 | 210 | 24 | 3 | 8-23 | 319 | 1000 | 200 | 550 | 260 | 335 | 295 | 265 | 26 | 3 | 12-23 | 380 | 1300 | 250 | 670 | 310 | 405 | 355 | 320 | 30 | 3 | 12-25 | 460 | 1700 | 300 | 720 | 370 | 460 | 410 | 375 | 30 | 3 | 12-25 | 520 | 2100 |
|